HYPOTHESIS OF HOMOPOLAR ATOMIC MODEL
FOR COLD FUSION ENERGY
 Emidio Laureti

 
ABSTRACT: BY THE MEANS OF A MACROSCOPIC STRUCTURE, WHICH REPRODUCES HOMOPOLAR INDUCTION, IT IS DEFINED A FORM OF INTERACTION WHICH MIGHT OFFER AN HYPOTHESIS OF ATOMIC MODELS, FOR A POSSIBLE EXPLANATION OF COLD FUSION ENERGY.

 
Homopolar induction is known since many years (1) (2) (3). Many authors think that it defines a new form of interaction with an unknown substratum, so that, to save energy conservation law for energy production (4) (5) (6) (7) it is said that, by homopolar induction, we can extract energy from vacuum.
 

The conclusion of Dr. Kincheloe (6), (7) corresponds to my experience (8). Using his words (4) (7) "... Known for over 150 years, the Faraday homopolar generator has been claimed to provide a basis for so-called 'free energy' generation, in that under certain conditions the extraction of electrical output energy is not reflected as a corresponding mechanical load to the driving source....
 

DePalma may have been right in that there is indeed a situation here whereby energy is being obtained from a previously unknown and unexplained source.
 

This is a conclusion that most scientists and engineers would reject out of hand as being a violation of accepted laws of physics, and if true has incredible implications."
 

Since over 150 years nobody has been able to verify "clearly" if, when the current flows in the conductors by homopolar structures, THERE A DAMPING FORCE EXISTS (4) (5) (8).
 

In my experiences, I have never found a damping force (8).
 

Besides, the structures of homopolar induction are constructed so that IF THE CLASSICAL CONSERVATION OF ENERGY IS SAVED, IT IS CONTRADICTED THE PRINCIPLE OF CONSERVATION OF ANGULAR MOMENTUM AND OF MOMENTUM (8) (9) (10).

In the studies of homopolar devices, I have considered many disputes if homopolar induction is, or not, relativistically coherent (11) (12). It must be said that, what Einstein adfirms, in his relativistic paper of 1905, contradicts homopolar experiences (as refers Francisco J. Muller in an his letter (12)): "(Einstein words).... THE PHENOMENON HERE [electromagnetic induction) DEPENDS ONLY UPON THE RELATIVE MOTION BETWEEN MAGNET AND CONDUCTOR".
 

I have called such unknown and unexplained substratum, with which, it might interact an homopolar machine in the production of energy, KETER (8) (the first Sefirot of Khabbalah : i.e. the COSMIC NOTHING) to distinguish it from the inconsistent properties so-called Aether.
 

I have realized an homopolar machine which has the characteristic to use "rotational brushes" to avoid frictional losses.
 

I describe here, a simple homopolar mechanical structure that is suitable of several variations.
 

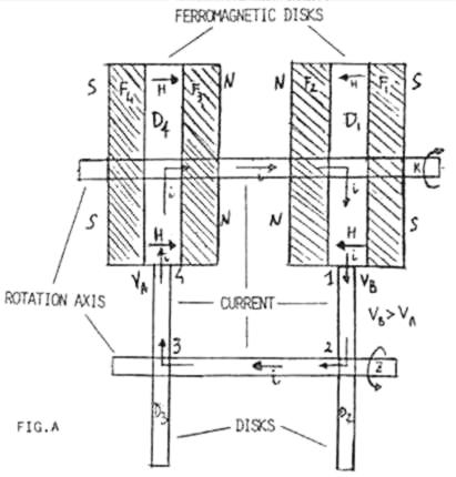
In the fig. (a) is shown a macroscopic model, suitable, in generalization, to atomic or molecular structures.
 

The homopolar machine in the upper part of flg. (a) is composited of four ferrite toroidal magnets: F1,F2 which enclose the iron disk Dl (Fl and F2 are attached to Dl); and so, F3, F4, which enclose the iron disk D4 (Fl and F2 are attached to D4).
 

The magnetic field is directed from right to left in Dl in fig. (a), opposite in D4. The opposite magnetic fields in the disks Dl and D4 are parallel to K axis.
 

Disks (fixed on K axis) and permanent magnets, rotate together around the axis K (clockwise in fig.(a), if seen from K zone (right in fig.a)). The K axis is made in steel. Rotational brushes, disks D2 and D3, can rotate around Z axis.
 

They rotate anticlockwise, and are attached to their axis.
 

Disks D2 and D3 and Z axis are conductors; it is not necessary that they are ferromagnetic.
 

When all system rotate, Dl, D4, and also D2, D3 have obliviously in modulus the same angular velocity, if, (as in fig.(a)) all four disks have the same diameter.
 

The two systems: disks D4 Dl and ferrites around K axis and on Z axis rotate in contact. When disk Dl is in contact with disk D2, and disk D4 is in contact with disk D3, as indicated in fig.(a), there exists an electric circuit between the four disks and the two axis. In contacts 4 and 1, the four disk contact zones, have the same velocity, so the friction is zero. The contact force is only normal to circumferences and so it has no component along the radius. The work done by contact force is zero.
 

 
Fig. (a)
 

For the homopolar induction, I have experienced a current in the verse 1,2,3,4, if the direction of magnetic fields and the rotation of the axis is that indicated in fig.(a).

 

In in fig.(a), the potential Vb, in contact zone 1 of disks D1 D2, is major of potential Va in contact zone 4 of D3 and D4 disks. The sense of such macroscopical model is that it is possible to generate a current with no frictional forces by rotational brushes and overall, so that there does not exist a braking of the four disks for the peculiarity of homopolar induction (8). A better improvement is to put also magnets on the rotational brushes D2 and D3, and so to have in the iron disk D2 a magnetic field equal to disk D1, and in disk D3 a field equal to disk D4.

 

A variant is to substitute D2 and D3, with condensers (8).

 

I express the hypothesis that for homopolar currents, the laws of electromagnetism are not valid, until (over 150 years'!) someone shows clearly shows the opposite.

 

I express the hypothesis that in the atomic domain, in COLD FUSION EVENTS, might realize structures analogous and to generate, by homopolar induction, different potentials, and overall, current, and so FREE ENERGY.

 

Actually I can't exclude that such "homopolar currents", besides between ions and electrons, can implicate the structure of the nucleus. Biatomic or pluriatomic bounds in the cold fusion mixture, under the action of external fields and/or currents, might organize so that to realize the structure of fig.(a), with specific association of quantized magnetic moments and angular momenta. It might be of interest to see, during the cold fusion process, rotational atomic spectra. In such microsystems would then exist microscopic circuits and specially conduction bands (which might interest both electrons and nuclei), and so homopolar currents which develop free energy and/or change the structure of nucleus.

 

 

REFERENCES

 
 

(1) Martin, T (ed.), 1932. "Faraday's Diary. Bell (in five volumes).

(2) Barnett S. J., PHYS REV., Oct. 1913. pp. 323

(3) Kennard E. N., PHILOSOPHICAL MAGAZINE. vol. 33, 1917, pp. 179-190

(4) DePalma, B. E., "On the Possibility of Extraction of Electrical Energy Directly from Space", SPECULATIONS IN SCIENCE AND TECHNOLOGY Vol. 13 no. 4, page 283, 1990.

(5) Tewari, P. "Detection of Stationary and Dynamic Space Substratum". Paper presented at 1990 Borderland Sciences Congress, Santa Barbara, California, June 14-17, 1990.

(6) Tewari P., "Electromagnetic Induction of Space Substratum", JOURNAL OF BORDERLAND RESEARCH, Jan.-Feb. 1992, pp. 10-17.

(7) Kincheloe, W. R., 1980 . "Homopolar 'Free Energy' Generator Test." Paper presented at the 1986 meeting of the Society for Scientific Exploration, San Francisco, California, June 21, 1986.

(8) Laureti E., "Alcune Osservazioni sull'Induzione Unipolare", NOVA ASTRONAUTICA , vol. 12, no. 54, pp. 27-33, 1992.

(9) Vance J. H., "A Method of Deep Space Propulsion.", THE JOURNAL OF PRACTICAL APPLICATIONS IN SPACE, pp. 105-11O, Spring 1991.

(1O) Vance J. H., "A Force Sink in Classically Definied Non-Inertial Frame", NOVA ASTRONAUTICA Vol. 12, no.51, pp. 4-14, 1992.

(11) KOLM H. H., letter to prof. J.H.Vance, Section "Praepetibus Pinnis." NOVA ASTRONAUTICA Vol.11, no. 50, pp. 28-31, 1992.

(12) Muller F. J., letter to E. Laureti, "Further Remarks About The Barnett and Kennard Experiments", NOVA ASTRONAUTICA Vol.12, no. 51, pp. 32-34, 1992.
 
 

Back to Homepage